深圳佰司特科技有限公司
专业半导体芯片代理商
一级代理: 维安  ESMT  杰优力   凌思微
公司联系电话:18926034563
联系我们
地址:深圳市龙华区龙华街道三联社区三联创业路19号汇海广场C座11层1106室
联系电话:公司联系电话:18926034563
传真:0755-23771345
Q Q:2471505354
  • 杰华特JW5352HM

  • 品牌: 杰华特 JoulWatt
  • 封装: SOT23-6
  • 产品类别: DCDC
  • 主要规格参数
  • 规格书&资料
  • 类似产品
产品描述
JW®5352HM 是基于 I2 架构的单片降压开关稳压器,可实现快速瞬态响应。 JW5352H 和 JW5352HM 在 4.5V~18V 的输入范围内工作,通过两个集成的 N 沟道 MOSFET 提供 2A 的连续输出电流。

产品特点
4.5V 至 18V 工作输入范围
2A输出电流
效率高达 95%
轻载时的 PFM
1.14MHz 开关频率
内部软启动
输入欠压锁定
电流失控保护
热保护


产品参数
4.5V 至 18V 工作输入范围
2A输出电流
效率高达 95%


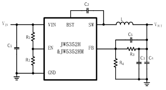
产品电路示意图


 

Content for Tab 3

Copyright © 深圳佰司特科技有限公司 版权所有 粤ICP备20010541号
全国服务电话:公司联系电话:18926034563   传真:0755-23771345
公司地址:深圳市龙华区龙华街道三联社区三联创业路19号汇海广场C座11层1106室   网站地图