深圳佰司特科技有限公司
专业半导体芯片代理商
一级代理: 维安  ESMT  杰优力   凌思微
公司联系电话:18926034563
联系我们
地址:深圳市龙华区龙华街道三联社区三联创业路19号汇海广场C座11层1106室
联系电话:公司联系电话:18926034563
传真:0755-23771345
Q Q:2471505354
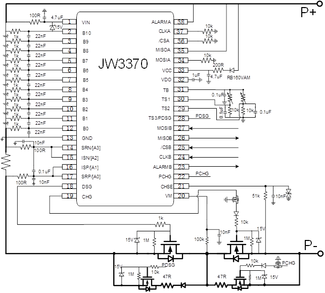
  • JW3370

  • 品牌: 杰华特 JoulWatt
  • 封装: TSSOP38
  • 产品类别: 电池管理系统
  • 主要规格参数
  • 规格书&资料
  • 类似产品
产品描述
JW®3370 是一款多节电池组监控和保护 IC,包括一个用于电池电压和温度感应的 14 位 ADC,一个用于充电/放电电流感应的 16 位 ADC。

产品特点

监控10串电池并支持串联操作

提供过滤模式
电池过压/欠压保护

电池过温/欠温保护
断线连接检测
片上无源电池平衡开关
提供片外被动平衡

产品参数

3.3V LDO 输出供外部应用

TSSOP38封装
 

产品电路示意图

 

Content for Tab 3

Copyright © 深圳佰司特科技有限公司 版权所有 粤ICP备20010541号
全国服务电话:公司联系电话:18926034563   传真:0755-23771345
公司地址:深圳市龙华区龙华街道三联社区三联创业路19号汇海广场C座11层1106室   网站地图