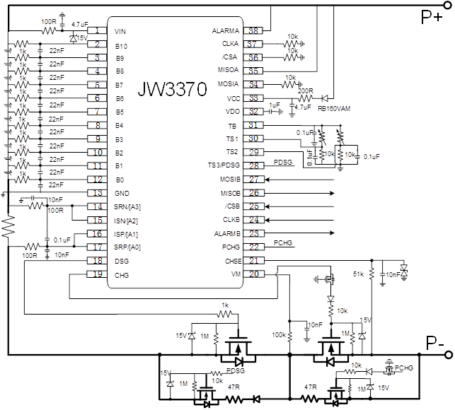
监控10串电池并支持串联操作
提供过滤模式
电池过压/欠压保护
3.3V LDO 输出供外部应用
TSSOP38封装

Copyright © 深圳佰司特科技有限公司 版权所有 粤ICP备20010541号
全国服务电话:公司联系电话:18926034563 传真:0755-23771345
公司地址:深圳市龙华区龙华街道三联社区三联创业路19号汇海广场C座11层1106室 网站地图