深圳佰司特科技有限公司
专业半导体芯片代理商
一级代理: 维安  ESMT  杰优力   凌思微
公司联系电话:18926034563
联系我们
地址:深圳市龙华区龙华街道三联社区三联创业路19号汇海广场C座11层1106室
联系电话:公司联系电话:18926034563
传真:0755-23771345
Q Q:2471505354
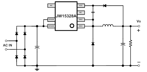
  • JW15328A

  • 品牌: 杰华特 JoulWatt
  • 封装: DIP7
  • 产品类别: ACDC
  • 主要规格参数
  • 规格书&资料
  • 类似产品
产品描述
JW15328A 是一款高效低成本离线恒压稳压器,适用于具有 650V MOSFET 的降压和降压-升压拓扑。

产品特点
超低系统 BOM 成本
与 650V、低 Rdson MOSFET 集成
12V 默认输出电压
支持降压和降压-升压拓扑
峰值电流模式控制
良好 EMC 的频率抖动
宽工作范围内的高效率
输出电压负载调节补偿

产品参数
12V 默认输出电压

产品电路示意图

 

Content for Tab 3

Copyright © 深圳佰司特科技有限公司 版权所有 粤ICP备20010541号
全国服务电话:公司联系电话:18926034563   传真:0755-23771345
公司地址:深圳市龙华区龙华街道三联社区三联创业路19号汇海广场C座11层1106室   网站地图