深圳佰司特科技有限公司
专业半导体芯片代理商
一级代理: 维安  ESMT  杰优力   凌思微
公司联系电话:18926034563
联系我们
地址:深圳市龙华区龙华街道三联社区三联创业路19号汇海广场C座11层1106室
联系电话:公司联系电话:18926034563
传真:0755-23771345
Q Q:2471505354
  • JW7721AH

  • 品牌: 杰华特 JoulWatt
  • 封装: SOP8
  • 产品类别: ACDC
  • 主要规格参数
  • 规格书&资料
  • 类似产品
产品描述
JW®7721AH 是一款同步整流器,用于隔离拓扑的二次侧整流,例如有源钳位反激和 CCM/QR/DCM 反激。 与传统的二极管整流器相比,JW7721AH能够显着提高效率。

产品特点
支持有源钳位反激、DCM、准谐振和 CCM 反激
支持高边和低边整流
输出电压直接提供VCC
低静态电流
用于 CCM 操作的快速驱动能力
SOP-8 封装

产品参数

Vout:3~20V

SOP-8 封装
 

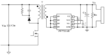
产品电路示意图

 


 

Content for Tab 3

Copyright © 深圳佰司特科技有限公司 版权所有 粤ICP备20010541号
全国服务电话:公司联系电话:18926034563   传真:0755-23771345
公司地址:深圳市龙华区龙华街道三联社区三联创业路19号汇海广场C座11层1106室   网站地图