深圳佰司特科技有限公司
专业半导体芯片代理商
一级代理: 维安  ESMT  杰优力   凌思微
公司联系电话:18926034563
联系我们
地址:深圳市龙华区龙华街道三联社区三联创业路19号汇海广场C座11层1106室
联系电话:公司联系电话:18926034563
传真:0755-23771345
Q Q:2471505354
  • JWH3515

  • 品牌: 杰华特 JoulWatt
  • 封装: QFN4x4-8 /SOP8/MSOP8
  • 产品类别: DCDC
  • 主要规格参数
  • 规格书&资料
  • 类似产品
产品描述
JW®H3515 是一款离线微型高压电源开关稳压器,带有片上电源开关和启动电路。 JWH3515 集成了所有的有功功率、控制逻辑和保护电路。 JWH3515 可配置为任何单端拓扑,例如正向或反激式,该控制器适用于需要高达 6 W 的应用。

产品特点
集成 200 V 电源开关电路和启动电路
工作频率高达 1 MHz
外部频率同步能力
线路欠压和过压检测器
逐周期电流限制
过温保护
内部误差放大器
提供无铅封装

产品参数
集成 200 V 电源开关电路和启动电路
工作频率高达 1 MHz

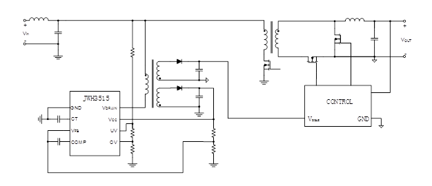
产品电路示意图


 

Content for Tab 3

Copyright © 深圳佰司特科技有限公司 版权所有 粤ICP备20010541号
全国服务电话:公司联系电话:18926034563   传真:0755-23771345
公司地址:深圳市龙华区龙华街道三联社区三联创业路19号汇海广场C座11层1106室   网站地图