深圳佰司特科技有限公司
专业半导体芯片代理商
一级代理: 维安  ESMT  杰优力   凌思微
公司联系电话:18926034563
联系我们
地址:深圳市龙华区龙华街道三联社区三联创业路19号汇海广场C座11层1106室
联系电话:公司联系电话:18926034563
传真:0755-23771345
Q Q:2471505354
  • JWH6344

  • 品牌: 杰华特 JoulWatt
  • 封装: QFN3.5X4.5-20
  • 产品类别: DCDC
  • 主要规格参数
  • 规格书&资料
  • 类似产品
产品描述
JW®H6344 是一款同步降压稳压器控制器。 JWH6344 工作于 6V~65V 输入范围,采用电压模式控制,可提供低输出电压、大电流、PC 系统电源轨和类似的数字 POL 电源所需的高效率、出色的瞬态响应和高 DC 输出精度 消费产品。

产品特点
6V 至 65V 工作输入范围,无需外部 VCC
0.8V 至 55V 输出电压范围
内置±1% 0.8V参考电压
开关频率从 100kHz 至 1MHz
-同步输入和同步输出功能

产品参数
0.8V 至 55V 输出电压范围
内置±1% 0.8V参考电压
开关频率从 100kHz 至 1MHz

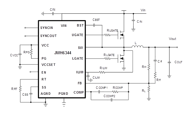
产品电路示意图


 

Content for Tab 3

Copyright © 深圳佰司特科技有限公司 版权所有 粤ICP备20010541号
全国服务电话:公司联系电话:18926034563   传真:0755-23771345
公司地址:深圳市龙华区龙华街道三联社区三联创业路19号汇海广场C座11层1106室   网站地图