深圳佰司特科技有限公司
专业半导体芯片代理商
一级代理: 维安  ESMT  杰优力   凌思微
公司联系电话:18926034563
联系我们
地址:深圳市龙华区龙华街道三联社区三联创业路19号汇海广场C座11层1106室
联系电话:公司联系电话:18926034563
传真:0755-23771345
Q Q:2471505354
  • JW5513

  • 品牌:
  • 封装:
  • 产品类别:
  • 主要规格参数
  • 规格书&资料
  • 类似产品
产品描述
JW5513 是一款同步高效、升压型转换器。 该装置采用恒定关断时间(COT)控制拓扑。 集成的低 RDS(ON) 开关将传导损耗降至最低。

产品特点
输入电压范围:2.6V 至 20V
输出电压范围:高达 20V
可编程开关峰值电流:高达 15A
集成 FET 的低 RDS(ON):低侧 FET:7.5mΩ,高侧 FET:16mΩ
可调开关频率:300kHz 至 2MHz
PFM/USM/PWM 可选轻负载运行模式
内部环路补偿
内部软启动限制浪涌电流
过温保护
过压保护
符合 RoHS 标准且无卤素
紧凑型封装:QFN3x3-20

产品参数
输入电压范围:2.6V 至 20V
输出电压范围:高达 20V

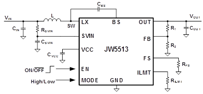
产品电路示意图


 

Content for Tab 3

Copyright © 深圳佰司特科技有限公司 版权所有 粤ICP备20010541号
全国服务电话:公司联系电话:18926034563   传真:0755-23771345
公司地址:深圳市龙华区龙华街道三联社区三联创业路19号汇海广场C座11层1106室   网站地图