深圳佰司特科技有限公司
专业半导体芯片代理商
一级代理: 维安  ESMT  杰优力   凌思微
公司联系电话:18926034563
联系我们
地址:深圳市龙华区龙华街道三联社区三联创业路19号汇海广场C座11层1106室
联系电话:公司联系电话:18926034563
传真:0755-23771345
Q Q:2471505354
  • JW3655A

  • 品牌: 杰华特 JoulWatt
  • 封装:
  • 产品类别: 电池管理系统
  • 主要规格参数
  • 规格书&资料
  • 类似产品
产品描述
JW®3655A是一款针对HVDC快速充电系统的降压升压转换器。JW3655A支持1至3节锂离子电池,完全充电电压和充电电流可通过外部电阻编程。

JW3655A采用H桥实现降压升压转换器。 集成的低RDS(on)MOSFET可最大限度地减少物理占用空间,最大限度地提高充电效率。 内置环路补偿简化了电路和设计。 PFM用于在轻负载电流下保持高效率。JW3655A通过热保护和电池欠压锁定保证了坚固性。
 
产品特点
1.集成低RDS(on)功率MOSFET
2.宽输入范围:4.2V-20.0V,支持1to3电池充电
3.完全充电电压:通过外部电阻为1.2V-20.0V或可通过BATFB引脚选择
   JW3655A(4.2V / cell)/ JW3655A-1(4.35V / cell)
4.高效降压 - 升压转换
5. 450kHz开关频率
6.可编程充电电流,最高3A
7.静态电流:<60uA
8.集成电池短路保护
9.集成热保护
10. QFN3 * 4封装
 
 
产品参数
1.输入电压:4.2-20V
2.满充电压:1.2-20V
3.高达3A充电电流
 
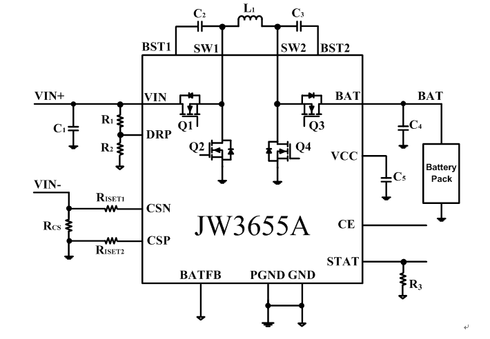
产品电路示意图

Content for Tab 3

Copyright © 深圳佰司特科技有限公司 版权所有 粤ICP备20010541号
全国服务电话:公司联系电话:18926034563   传真:0755-23771345
公司地址:深圳市龙华区龙华街道三联社区三联创业路19号汇海广场C座11层1106室   网站地图